欢迎访问,北京梦幻三星涂装设备技术开发公司官网!
首页 > 产品中心 > 钣金加工
产品中心 / Product Center
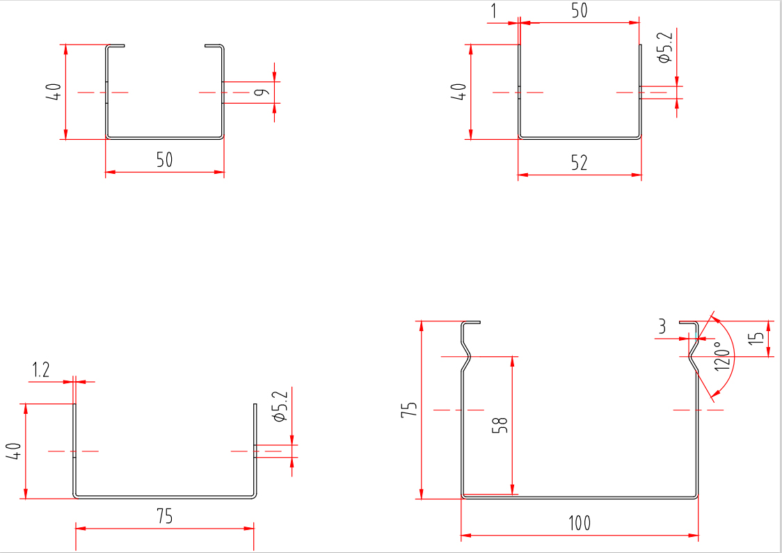
线槽
线槽


打开微信“扫一扫”,打开网页后点击屏幕右上角分享按钮
+